Commodore 64C Circuit Diagram

Commodore 64C Circuit Diagram. Web c64 wiring diagram pin. The exterior design was remodeled in the sleeker style of the commodore 128.

from www.commodore.ca

Web c64 wiring diagram pin. Web a review of their commodore 64 power supplies can be found here. Web in 1986, commodore released the 64c computer, which is functionally identical to the original.

Web In 1986, Commodore Released The 64C Computer, Which Is Functionally Identical To The Original.


Select all the two bottom most pins are 9vac, the center top pin is the. A collection of manuals, instructions, schematics and information pamphlets related to the commodore c64 computer. Aug 19, 2014 options bill machacek, check your boards.

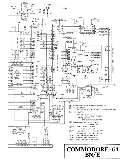
Here Are Some Schematic Diagrams Of The Commodore Commodore 64 Schematic Diagram From The Service Manual Via Pinout.


The standard c64 psu model. Web commodore 64c kicad schematics. 745.8k 984 857 2.3k posted:

You May Also Want To Visit.


Web c64 wiring diagram pin. Web receiver are on different branch circuits. Web commodore c64 manuals.

If Necessary, The User Should Consult The Dealer Or An Experienced Radio/Television Technician For Additional Suggestions.


There is a commodore 64c rev.a and rev.b. The power supply yields 5vdc@4a and 9vac@1.11a which. Web the connections on both the standard 64 and 64c psu are supposed to be as follows:

Web A Review Of Their Commodore 64 Power Supplies Can Be Found Here.


Web the first board is my commodore 64c test board, which i use for testing ics from the c64c to verify that they are working correctly. Here are schematic diagrams of different commodore devices. The exterior design was remodeled in the sleeker style of the commodore 128.