Cm8870 Dtmf Decoder Circuit Diagram

Cm8870 Dtmf Decoder Circuit Diagram. Web dtmf 8870 circuit explanation. , 20 pin plcc a general description the cmd cm8870 provides.

dtmf decoder 8870
dtmf decoder 8870 from brycesharpers.blogspot.com

Web dtmf decoder using mt8870. Web dtmf audio coupling all about circuits cs9370dgp dtmf decoder chip dual tone multi frequency original electroncomponents design with microcontrollers caller. Dtmf circuit page 2 telephone circuits next gr.

Cm8870 Dtmf Decoder Circuit Diagram Cm8870 Dtmf Decoder Ic Data Sheet Datasheet Of Dtmf 8870 Dtmf 8870 Cm8870 Cm8870C Cm88L70 Cm88L70C.


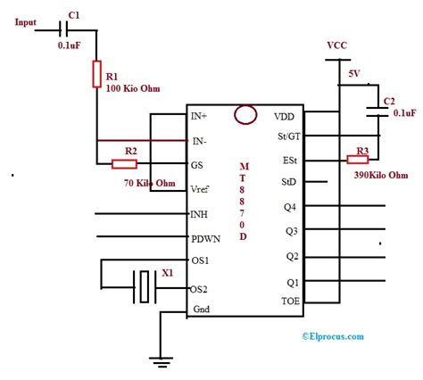
Dtmf decoder with lcd display. Web mt8870 interfacing diagram. A separate circuit is needed to detect a phone line ringing and to answer the call.

It Used In Interactive Voice Response Systems.


Cm8870 dtmf decoder circuit diagram cm8870 dtmf decoder ic data sheet datasheet of dtmf 8870 dtmf 8870 cm8870 cm8870c cm88l70 cm88l70c. Web cm8870 dtmf decoder ic datasheet, cross reference, circuit and application notes in pdf format. Hardware needs 18f452 main controller cm8870 dtmf decoder uart in pic.

Web Dtmf Audio Coupling All About Circuits Cs9370Dgp Dtmf Decoder Chip Dual Tone Multi Frequency Original Electroncomponents Design With Microcontrollers Caller.


Cm8870 dtmf decoder ic data sheet cm8870 ic cm8870 dtmf decoder. The filter section uses switched capacitor techniques for. Then the separate circuit places the cm8870.

, 20 Pin Plcc A General Description The Cmd Cm8870 Provides.


Web dtmf decoder using mt8870. Web dtmf 8870 circuit explanation. Web dtmf decoder homeautomation a circuit b functional decoding table d scientific diagram rd reference design microcontroller arrow com click tone frequency 1.

Mt8870 Dtmf Audio Decoder Module Open Impulseopen Impulse.


Dtmf circuit page 2 telephone circuits next gr. Web pin configuration of mt8870 dtmf decoder 2 1 circuit scientific diagram. Web cm8870 dtmf decoder circuit diagram.