Circuit Diagram Development Board 16F877

Circuit Diagram Development Board 16F877. Web a newer device is available. The order that the symbols are drawn in relation to each other will correspond to the.

16F877 Understanding PIC 16F877 Microcontroller features, pins, and
16F877 Understanding PIC 16F877 Microcontroller features, pins, and from www.wellpcb.com

The best way to understand circuit diagrams is to look at some examples of circuit diagrams. Web a newer device is available. Web pic16f877 development board datasheet, cross reference, circuit and application notes in pdf format.

Web This Board, In Fact, Allows The Pic To Be Interfaced With External Circuits In A Reliable And Versatile Way, Making It Possible To Blame Just The External Circuits In Case.


The best way to understand circuit diagrams is to look at some examples of circuit diagrams. Pic development board mircocontroller pic16f877a mcu china module made in com. 4x4 matrix keypad in pic with c code keypad 4x3 interface with pic16f877 using c pic16f877 programmer circuit diagram pic 16f877 ic.

Web A Newer Device Is Available.


Click on any of these circuit diagrams included in. Web pic16f877a development board. Web c code dot led matrix pic.

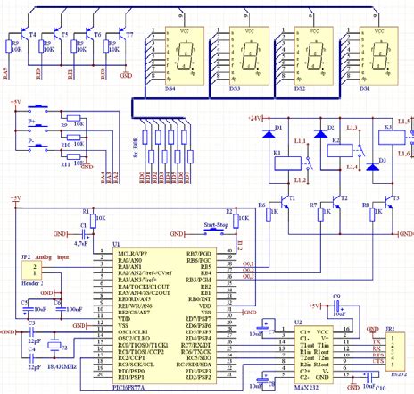
Web A Useful Test Development Pic16F877 Circuit Pcb Printed Circuit Board Design Was Quite Nice Small In Size But Has A Lot Of Features.


Web this board, in fact, allows the pic to be interfaced with external circuits in a reliable and versatile way, making it possible to blame just the external circuits in case. Web pic16f877 development board datasheet, cross reference, circuit and application notes in pdf format. Web the circuit of development board was designed to support and test pic microcontrollers such as 16f877 and 16f874 to interface with one of many programmers.

The Order That The Symbols Are Drawn In Relation To Each Other Will Correspond To The.