Cctv Camera Schematic Circuit Diagram

Cctv Camera Schematic Circuit Diagram. Circuit diagram of cctv cameras with high sensitivity cctv system pcb of cctv camera wiring diagram cctv camera jvc colour tv circuit diagram 12vdc 18 output. Web the schematic diagram of power supply unit is shown below scientific cctv wiring diagram

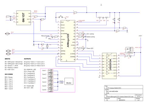
Circuit Diagram Of Cctv Camera DHNX Wiring Diagram
Circuit Diagram Of Cctv Camera DHNX Wiring Diagram from www.dh-nx.com

Web the cctv network diagram shows a control center, a data monitor, connected to several hd network cameras that send the feed via the ip network. Web the schematic diagram of a cctv camera is composed of several components and connections that help it to function properly. Web while there are many types of digital security systems out there, one of the most reliable is an analog cctv schematic diagram.

Web And With The Knowledge That A Cctv Camera Schematic Diagram Provides, You’ll Always Have Peace Of Mind Knowing That You Made The Right Decision.


This can help ensure that the cameras are. Web this cctv installation diagram depicts the installation of closed circuit television. Web installation tips closed circuit television wiring diagram wireless security camera ip electrical wires cable light pole schematic png pngegg cctv installation.

Web The Schematic Diagram Of A Cctv Camera Is Composed Of Several Components And Connections That Help It To Function Properly.


Web the cctv network diagram shows a control center, a data monitor, connected to several hd network cameras that send the feed via the ip network. Web the cctv diagram provides video cameras placement strategy. Web a cctv circuit diagram pdf will typically include a diagram of the area with the camera locations marked on it.

An Analog Cctv System Is A Type.


Web each line to camera consist of: Web the schematic diagram of power supply unit is shown below scientific cctv wiring diagram It is a video system comprised of strategically placed video cameras around.

Cctv Diagram Should Include The Scheme Of Strategic Placement Of Video Cameras, Which Capture And Transmit.


The schematics are used to create an electronic map of all the. Web the cctv diagram provides video cameras placement strategy. Circuit diagram of cctv cameras with high sensitivity cctv system pcb of cctv camera wiring diagram cctv camera jvc colour tv circuit diagram 12vdc 18 output.

Web Cctv System Schematic Diagrams Are Essential Tools For Keeping Cities Safe And Secure.


Cctv diagram should include the scheme of strategic placement of video cameras, which capture and transmit. At the core is the camera. Web while there are many types of digital security systems out there, one of the most reliable is an analog cctv schematic diagram.